Welcome to our latest design reveal! For this project, our clients came to us with a clear vision: transform their kitchen into a true gathering place, a space where friends can linger, family can connect, and holiday celebrations can feel even more special. They dreamed of a refreshed, elevated kitchen paired with a dedicated formal dining area perfect for entertaining and hosting their growing family.
This transformation was rooted in function, beauty, and togetherness. Scroll through to see how we brought their vision to life, blending thoughtful layout changes, timeless finishes, and warm, inviting details designed to welcome every guest who walks through the door.

The Kitchen Before:


The Kitchen After:



The Inspo and Floor Plan:
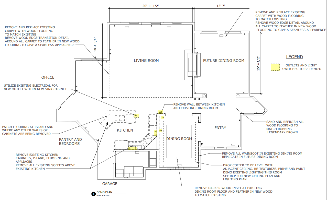
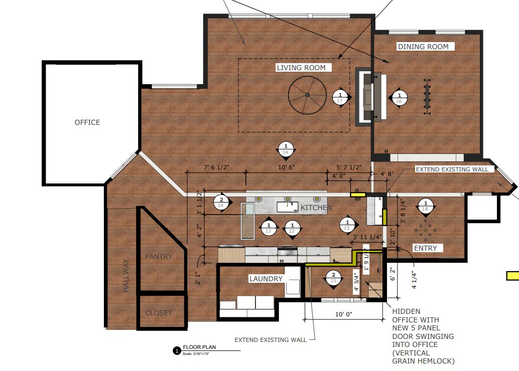
The goal was to keep the kitchen light, bright, and open with light cream colored cabinets, with touches of warm wood and gold. The plan was to open up the kitchen into the old dining room to create space for a larger island, move the dining room into the unused formal living room, and create a hidden office/butler’s pantry off the kitchen. Below you will see the before (left) and after (right) floor plans of the kitchen.



The Details:
















The Fireplaces Before and After:




Here we refinished and continued the hardwood flooring throughout the home, painted the walls and the existing mantle, and added board and batten to the dining room.
See More:












Learn more about Lamb & Co. Design-
Interested in learning more about our Design Services or ready to start your project? Take our Style Quiz or get connected with our Design Team today! Click here to learn even more about our services.
This project was designed by Carolyn at Lamb & Co. Design and completed by Lamb & Co. Renovation.
XO Lamb & Co. Design


